I built this little fishing boart quite some time ago but decided to revisit it when I was recently teaching a workshop. It’s a complex but not too difficult a build which is fascinating. The first time I built these reliefs I was pretty new to EnRoute and the MultiCam. That gave me an appreciation for the feelings I knew my students would have.
The little boat would later be incorporated into a sign sample which still hangs proudly on our shop.
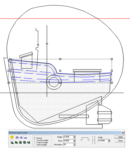
As with all EnRoute files it started with vectors. I drew them all out in the program. The large egg shape was not part of the ship but would be used as a mask to define the rounded hull shape.
I started with the hull of the little boat by creating a flat relief that was 0.2″ tall.
I then built the upper trim rails as separate reliefs that were 0.35″ tall.
Because the rail reliefs poked out beyond the hull relief I could then select them and the hull and combine them together. Next up was the tire that west coast fishermen tie to the side of their boat to protect the woodwork when they come in to the dock. This was built as a domed relief with a base of 0.5″
This tire shaped relief was then MERGED HIGHEST with the boat hull.
Then came the magic part. We used the giant egg shape as a mask to define the dome shape of the hull. It worked perfectly as I had remembered.
I checked the bottom and front view to be sure, but things looked pretty good already.
Next up was the keel and rudder of the boat. These were done as flat reliefs 0.2″ thick.
The propeller shaft and rudder straps were created as separate 0.35″ high flat reliefs.
These reliefs were then combined with the keep and rudder reliefs.
Next up were the tackle boxes on the front and rear decks of the little ship. These were created as 1″ tall flat reliefs.
The lids were created as separate flat reliefs that were 1.2″ tall.
The respective and box were selected as pairs and then combined. I then selected the hull of the ship, the tackle boxed and combined them to form one relief.
Next time we get to creating the files for the cab of the fishing boat using the revolve tool. Stay tuned…
Published with permission from precisionboard.blogspot.com. Source.




















